| |
|
|
| |
 |
|
|
ИП Мамонтов Алексей Владимирович |
| |
|
|
| |
|
|
|
 |
Техническая
поддержка при установке\монтаже и эксплуатации |
|
домофонов
PRO производства НЗМИ ОЛЕВС |
|
|
| |
|
|
 |
Техническая
консультация* по домофонам Keyman /
Polylock |
|
*Консультация по домофонам Keyman /
Polylock
носит
исключительно рекомендательный характер, не является
обязательным руководством к действию при решении
заданного вопроса, а также не имеет юридически значимой
силы. |
|
|
| |
|
|
|
|
| |
|
|
|
|
| |
|
|
Описание |
|
| |
|
|
Подъездный домофон с цифровой адресацией серии
PRO (Ver.d18 и выше)
- моноблок: предназначен для организации
санкционированного доступа в жилые многоквартирные здания.
Обеспечивает доступ (с включаемой функцией АНТИКЛОН) по
электронным идентификаторам (ключам или брелокам) по одному из
перечисленных протоколов:
DS1990A,
EM-Marine.
Применяется так же для ремонтной замены домофонов и вызывных
панелей с ИК набором. |
|
| |
|
|
Имеет цифровую адресацию абонентских
устройств;
индикация трёхразрядная, семисегментная; встроенный
многофункциональный контроллер для работы по протоколу
iButton (серии DS1990A)
или для работы
по протоколу EM-Marine 125 кГц;
встроенные цепи защиты от подачи на контактор ТМ высокого
напряжения; конструктивно лицевая панель стальная,
общей толщиной 5.5 мм; клавиатура кнопочная двухпружиная, с
упорной стальной пластиной; подсветка
наборного поля клавиатуры; встроенные
электрические цепи управления и
размагничивания электромагнитного замка. |
|
| |
|
|
|
|
| |
|
|
Основные
технические характеристики |
|
| |
|
|
Максимальное количество абонентских устройств: 255 |
|
| |
|
|
Вводимые номера:от 1 до 999 |
|
| |
|
|
Работа с идентификаторами одного из 2-х
стандартов: DS1990A
/ Em-Marine |
|
| |
|
|
Дополнительные режимы контроллера :
*АВТОСБОР*,
*АНТИКЛОН* |
|
| |
|
|
Максимальное количество записываемых ключей: заводская установка
- до 2044 |
|
| |
|
|
Напряжение питания: 15V(DC) |
|
| |
|
|
Потребляемый ток: не более 0.3А (без учёта ЭМ
замка) |
|
| |
|
|
Рабочая температура эксплуатации: -40°С до +50°С |
|
| |
|
|
Окрас корпуса: порошковая |
|
| |
|
|
|
|
| |
|
|
Функция
АНТИКЛОН |
|
| |
|
|
Функция
«АНТИКЛОН
touch memory
/
proximity
125 кГц»
предназначена для ограничения
несанкционированного доступа в жилые многоквартирные здания и
офисные помещения при использовании заготовок
touch memory,
копированных
по протоколу
DS1990A
и заготовок
брелоков/карт,
proximity
125 кГц, копированных по протоколу
Em-Marine. |
|
| |
|
|
Блокировка заготовок (в том числе с защищённым протоколом записи
и финализированных): |
|
| |
|
|
-
для режима *iButton (DS1990A)*:
RW2004,
RW1990, TM01A,
TM08Vi-2,
TM08Vi-F |
|
| |
|
|
-
для режима *Em-Marine 125 кГц*:
Temic T55*7,
EM4205\EM4305, i57-V2, ОТР,
Н5
/ H5.5 /
H7 / Н8 |
|
| |
|
|
Заводская установка режима *АНТИКЛОН* - *выключено* |
|
| |
|
|
Включение функции *АНТИКЛОН* для режима *iButton
(DS1990A)* и *Em-Marine 125 кГц*
-
программно (установка
параметра <0> в подпрограмме <1> процедуры [P-2-9]). |
|
| |
|
|
|
|
| |
|
|
Функция
АВТОСБОР |
|
| |
|
|
Режим «автосбор»
идентификаторов предназначен для самостоятельного прописывания
ключей (брелоков), находящихся у жильцов, без участия монтажника
(в случае не возможности переставить микросхему памяти с
поврежденного домофона, домофона другого производителя или
использования программатора). Запись нового ключа (брелока), как
и чтение уже прописанного ранее, сопровождается открытием двери
со звуковым сигналом и индикацией. |
|
| |
|
|
Включение функции *АВТОСБОР* -
программно (установка
параметра <0> в подпрограмме <2> процедуры [P-2-9]). |
|
| |
|
|
|
|
| |
|
|
Документация |
|
| |
|
|
|
 |
Руководство по эксплуатации:
домофон PRO/PROV
(Ver. D20) |
PDF |
|
|
|
Схема электрическая принципиальная PRO-D24_a |
|
Схема электрическая принципиальная PRO-D24_b |
|
Схема электрическая принципиальная PRO-D24_c |
|
Схема монтажная платы PRO-D24 |
|
|
|
|
|
Схема
электрическая принципиальная
PRO-D23A_a |
|
Схема
электрическая принципиальная
PRO-D23A_b |
|
Схема
электрическая принципиальная
PRO-D23A_c |
|
Схема монтажная
платы PRO-D23A |
|
|
|
 |
|
Дополнение к РЭ "Цифровой домофон
PRO (ver. d18)" |
| ---
функция АНТИКЛОН touch memory
/ proximity 125 кГц |
...АНТИКЛОН |
|
|
---
режим АВТОСБОР |
как
включить режим АВТОСБОР |
|
|
|
|
|
|
Схема
электрическая принципиальная
PRO-D18A_a |
|
Схема
электрическая принципи альная
PRO-D18A_b |
|
Схема
электрическая принципиальная
PRO-D18A_c |
|
Схема монтажная
платы PRO-D18A |
|
|
|
 |
|
Генератор кодовых таблиц
key_tbl.exe (MS-DOS) |
|
Инструкция |
|
|
|
 |
|
Файл прошивки"ремонтной" микросхемы памяти
Keyman / Polylock |
|
Инструкция |
|
|
|
|
| |
|
|
|
|
| |
|
|
Вопросы и ответы |
|
| |
|
|
|
|
| |
|
|
__С
10.03.2026 хронологический порядок следования "Вопросы и Ответы"
изменён на порядок по степени важности вопросов, возникающих при
монтаже и эксплуатации домофонов. Причин этому несколько: |
|
| |
|
|
|
|
| |
|
|
---Иногда
управляющие
компании производят установку домофонной системы силами своих
сотрудников, не пользуясь услугами квалифицированных
специалистов монтажных организаций; |
|
| |
|
|
|
|
| |
|
|
---Монтаж
домофонной системы производится без полного понимания принципов
работы домофона: адресация при вызове трубки, режим разговора и
открытие двери с трубки; |
|
| |
|
|
|
|
| |
|
|
---Самостоятельня
установка трубок (во время ремонта и пр.) без согласования с
домофонной монтажной организацией которая обслуживает данную
систему; |
|
| |
|
|
|
|
| |
|
|
---Подключение,
часто бесконтрольное, к линии абонентских устройств различных
модулей сопряжения, "автовахтёров" и блочков системы умный дом,
вызывающих нарушение нормального функционирования домофонной
системы в целом. |
|
| |
|
|
|
|
| |
|
|
|
|
| |
|
|
Вопрос:
Произвели монтаж: установили домофон, замок, заложили
абонентскую линию, подключили трубки. Включили питание и если
что-то, где-то не так работает, то как искать неисправность? |
|
| |
|
|
_Ответ:
В первую очередь необходимо убедиться в работоспособности самого домофона: - отключите абонентскую линию, - подключите к клеммам
домофона L+/L- заведомо
исправную трубку, - трубку запрограммировать на максимальный
номер №255, длина соединительного провода не менее 1 метра, -
включить питание, вызвать трубку, в разговоре отбалансировать
разговорную схему домофона, - открыть дверь с трубки и с кнопки
выхода, - проверить работу электромагнитного замка. Произвести
измерения уровня напряжения в базовых точках: - на клеммах
электропитания домофона желательно должно быть не менее
+15.5 В, - на клеммах
L+/L-
порядка +6.5---+7.0 В ( порядка +5.5 В в режиме разговора ). |
|
| |
|
|
_______
в случае, если такая минисистема
функционирует нормально, а при подключении абонентской линии
проявляется некорректная работа трубок при вызове, разговоре или
открытии двери, то всё дело в линии абонентских устройств: какой
провод использовался, качество скруток или зажима провода на
стыках, полярность подключения трубок, исправность декодера в
самой трубке ( как и клавиши отбоя, кнопки выхода, микрофона и
динамика... ), а так же наличие сторонних модулей, подключаемых
особенно часто в последнее время. Некоторые сторонние модули
могут иметь хорошее сопряжения с линией абонентских устройств,
вроде бы как и не внося дисбаланс в работу линии, но при этом
такие модули имеют внешнее электропитание. Электропитание может
быть как от индивидуальных видеомониторов, так и от не
качественно стабилизированных источников питания. Обычно
GND таких модулей напрямую соединено с
L- линии, что является источником
помех и причиной сбоев в работе трубок. |
|
|
|
|
_______
так что во вторую очередь
проверяем собранную линию абонентских устройств, отключённую от
клемм домофона L+/L-: - проверяем
отсутствие напряжения на линии. Присутствие напряжения
электросети ~220 В и порядка
~100 В телефонной сети (при телефонном
вызове) не рассматривается. При присутствии напряжения в доли и
единицы вольт следует найти паразитный источник напряжения
и устранить его. - далее проверяем сопротивление линии. В
верхней точке закорачиваем линию, в нижней измеряем:
сопротивление должно быть не более 10 Ом. При таком
сопротивлении линии в её верхней точке напряжение в трубках в
режиме разговора будет порядка +4.5 В, что является нижним
"пограничным" напряжением в режиме разговора. К примеру, в 17-ти
этажном доме, при расстоянии от поэтажного стояка до
установленного домофона 15-20 метров, при использовании
проводов с сечением 0.5 мм2, теоретически сопротивление может
составлять около 5 Ом, с учётом сопротивления скруток как раз
около 10 Ом. Желательно иметь меньшее сопротивление, для этого
использовать провода с бОльшим сечением и делать качественные
соединения/скрутки проводов. |
|
| |
|
|
|
|
| |
|
|
Вопрос:
Фон в режиме разговора и т.п.? |
|
| |
|
|
_Ответ:
Убедитесь, что используется рекомендованный блок питания
RS-25-15 и напряжение на клеммах
электропитания домофона не менее +15.5
В. Использование блоков
питания на +12В, как и на +5В, не гарантирует работу домофона с
требуемыми параметрами. Применение блоков питания более чем на
+18В не рекомендуется. |
|
| |
|
|
|
|
|
|
 |
|
|
-Электропитание на домофон подано |
| |
|
-Напряжение питания менее +15.5 В |
|
|
Светодиодная индикация в правом нижнем углу платы |
|
|
|
 |
|
|
-Электропитание на домофон подано |
| |
|
-Работа в штатном режиме |
|
|
|
| |
|
|
|
|
| |
|
|
Внимание!
дополнительный
Вопрос:
В дневное время всё работает, вечером может появиться
фон при разговоре...
|
|
| |
|
|
_Ответ:
Необходимо использовать рекомендованный блок питания
RS-25-15 с выставленным напряжением на клеммах
электропитания домофона не менее +15.5
В.
|
|
| |
|
|
Причина
В 100% случаях одна: на объекте используется
трансформаторный блок питания со слабой (или
отсутствующей) стабилизацией напряжения. В вечернее
время общее напряжение электросети в доме обычно
понижается, что приводит к большому уменьшению
напряжения на клеммах электропитания домофона при
использовании трансформаторного блока питания. |
|
| |
|
|
|
|
| |
|
|
Вопрос:
Идёт вызов в трубку, а когда снимаю её то слышу разговор других
жильцов. Получается, что звонили не мне. Это где-то в линии
некоторые трубки подключены в обратной полярности? |
|
| |
|
|
_Ответ:
Вероятнее всего в вашей трубке неисправен декодер вызывного
сигнала, микросхема CD40103.
Возможно что "пробит" один (или более) из портов,
предустанавливающих 8-битное число для счёта на вычитание.
Пример: трубка настроена на номер вызова №12 : у
CD40103 установлены джампера на
позиции "4" и "8". Предположим, что пробит порт на позиции "16".
В этом случае при вызове в квартиру №28 вызов пройдёт и в
квартиру с №12. При этом, характер пробоя может быть таким. что
родной вызов в квартиру с номером №12 так же будет проходить.
Решить проблему можно только заменой трубки (многие монтажные
организации предпочитают производить замену платы электроники в
трубке на месте) на которую поступают ложные вызовы. |
|
| |
|
|
_Доп.информация:
Ложный вызов и прослушивание чужих разговоров из-за подключения
некоторых трубок в другой полярности - это характерная
неисправность свойственная домофоным системам с
координатно-матричной системой адресации. |
|
| |
|
|
|
|
| |
|
|
Вопрос:
Что будет когда в домофонной системе
с цифровой адресацией вызова
одна или несколько трубок подключены в обратной полярности? |
|
| |
|
|
_Ответ:
Если одна или две, то, скорее всего, они просто не будут
работать, не влияя на работу остальных трубок. Выявить такую
неисправность несложно по заявке от жильца на отсутствие вызова
в трубку. Следует принять во внимание, что при количестве трубок
подключённых в обратной полярности более 2 (двух) это может
привести к сбою в работе домофонной системы: вызовы в работающие
трубки поступают с несколько искажённым звуком или даже вызов
может после 2-3 гудков сбрасываться. |
|
| |
|
|
|
|
| |
|
|
Вопрос:
Неустойчивый вызов в трубки верхних этажей, зафиксированное
напряжение на трубках в режиме разговора +2.7---+2.9 В (качество
связи очень плохое), на средних этажах и ниже всё нормально,
чёткие вызовы, соединения и напряжение в разговоре на трубках не
менее +4.5---+5.4 В. Понятно, что на верхних этажах в стояке
где-то появилось большое сопротивление линии. При каком
минимальном сопротивлении линии абонентских устройств может
полностью отсутствовать вызов в трубку? |
|
| |
|
|
_Ответ:
Сначала о напряжении +2.7---+2.9 В на трубке в режиме разговора:
такому напряжению соответствует сопротивление линии (обязательно
включая скрутки и жгутки) порядка 90-110 Ом. Скорее всего дело
не в сечении провода (предполагается что по всей длине стояка
провод одной марки), а в большом сопротивлении соединения
проводов или неполном "обрыве" провода. О влиянии больших
сопротивлений линии: 500 Ом - вызова не будет, 300 Ом - вызов
возможно что будет, на снятие трубки реакции нет, 200 Ом - вызов
будет, может быть реакция на снятие трубки, разговора нет, 100
Ом - ваш вариант. |
|
| |
|
|
|
|
| |
|
|
Вопрос:
В интернетовских статьях "как
правильно выбрать кабель для домофона" о кабеле ТРП 2х0.4
написано: "С помощью кабеля ТРП 2х0.4 можно монтировать
линии для аудиодомофонов. Потери сигнала в этом случае не имеют
существенного значения. Для аудио достаточно наличия двух
параллельных медных жил, оснащённых полиэтиленовой изоляцией.
Провод достаточно гибкий и отличается небольшими размерами, что
обеспечивает удобство монтажа". Подойдёт ли такой кабель для
линии абонентских устройств? |
|
| |
|
|
_Ответ:
Да, подойдёт для соединения трубки на уровне этажа с общей
линией абонентских устройств (до 10 м). Да, может подойти и для
самой линии в стояке, только при небольшом расстоянии от стояка
до домофона и этажности дома не более 5-ти.
Кабель
ТРП 2х0.4 со своим
поперечным сечением жилы 0.126 мм2 имеет сопротивление
жилы не более 148 Ом/км (из технических характеристик на
кабель). Для двух жил, L+\L-, это 3
Ом/10м. Так что 10м от домофона до стояка + 15 м линия стояка+
5м от линии до трубки (на этаже) = 30мх3 = 9 Ом в лучшем случае.
Домофонная система должна работать, но не факт. Можно
рекомендовать только для разводки на уровне этажа. |
|
| |
|
|
|
|
| |
|
|
Вопрос:
При открывании двери с трубки в режиме разговора иногда такое
открытие происходит не с первого нажатия на кнопку открытия
двери на трубке. Проблема в этой кнопке на трубке? |
|
| |
|
|
_Ответ:
Есть два ответа на этот вопрос, в зависимости от того через
какое время нажимаете на кнопку открытия двери после поднятия
трубки при её вызове. Часто можно видеть, когда посетителю
открывают дверь без всякого предварительного разговора с ним:
когда ждут ребёнка из школы, гостей в или курьера в
определённое время. В программу домофона ( по стандарту от
proel 1803) заложена блокировка
2-3 секунды на команду от трубки на открытие двери после
снятия трубки с целью исключения ложного срабатывания на
открытие двери в момент снятия трубки. Так что, сняв трубку, и
нажимая в эти секунды на кнопку открытия двери, кроме щелчков
ничего не услышите. Это штатный режим работы работы трубки,
кнопка исправна. Если команда на открытие двери поступает
не с первого нажатия уже в режиме разговора (более 2-3 сек.
после снятия трубки), можно уже начинать думать о том, плохо ли
работает сама кнопка, или некорректная работа каких-то
электронных компонентов на плате трубки, или соединительные
провода в трубке плохо зажаты, или проблемы с линией абонентских
устройств. |
|
| |
|
|
_Доп.информация:
При нажатии на кнопку электронная схема трубки формирует
управляющий импульс определённой длительности, величина которой
не зависит от продолжительности нажатия на кнопку. |
|
| |
|
|
_Доп.информация:
При завершении разговора по инициативе жильца, в момент
установки трубки на базу возможно самовозбуждение разговорного
тракта и посылка команды на открытие двери. Для предотвращения
данной ситуации рекомендуется производить завершение разговора
ручным нажатием на клавишу базы и только затем фиксировать
трубку на базе. Это распространяется на все домофонные системы
построенные по стандарту Proel. |
|
| |
|
|
|
|
| |
|
|
Вопрос:
При вызове квартиры, после снятия трубки и с начала разговора
вместо индикации номера вызываемой квартиры на дисплее
появляется индикация "_ _ _".
Это что значит?
|
|
| |
|
|
_Ответ:
Это штатная работа домофона в соответствии с руководством по
эксплуатации. Функция скрытия номера вызываемой квартиры была
введена по многочисленным просьбам для обеспечения
конфиденциальности разговора. Что особенно важно, когда
вызываемый абонент несовершеннолетний или малолетний ("один
дома"). |
|
| |
|
|
|
|
| |
|
|
Вопрос:
В трубку проходят все вызовы.
|
|
| |
|
|
_Ответ:
Возможны две основные причины, когда в абонентское устройство
проходят все вызовы: |
|
| |
|
|
1. Неисправность (чаще всего)
ключевого транзистора Т2 (ВС 858 / ВС 807) в трубке или (что
бывает редко) в управляющей цепи ключевого транзистора
неисправные транзистор Т2 (ВС 848), микросхема
CD4093. |
|
| |
|
|
2.
Отсутствие джамперов на штырях кодировки трубки. Джампер или
слетел или плохой контакт, особенно если он единственный ( для
трубок с кодировкой 1\2\4\8\16\32\64\128). |
|
| |
|
|
|
|
| |
|
|
Вопрос:
Как включить режим "АВТОСБОР" или
"АНТИКЛОН"? |
|
| |
|
|
_Ответ:
Протокол включения режимов указан в документации по
эксплуатации. |
|
| |
|
|
|
|
| |
|
|
Вопрос:
Совместима ли база ключей домофонов
KEYMAN и
POLYLOCK
с базой ключей домофонов ОЛЕВС серии
PRO? |
|
| |
|
|
_Ответ:
Да,
совместима. При замене домофонов KEYMAN
и POLYLOCK на домофон
PRO достаточно переставить микросхему
памяти (24lc32 и выше) на выключенном
оборудовании, соблюдая ориентацию при установке в панельку. |
|
| |
|
|
|
|
| |
|
|
Вопрос:
Если
запрограммировать коммутатор
COM1-3AV Keyman
на работу в расширенном режиме, то смогут ли с ним
работать домофоны с цифровой адресацией такие как МАРШАЛ,
Raikmann и аналогичные? |
|
| |
|
|
| |
|
_Ответ:Да,
смогут. Расширенный режим работы коммутатора
COM1-3AV Keyman
является дополнительным режимом работы и
предназначен для связи с домофоном
PRO производства НЗМИ
ОЛЕВС. Если с домофона PRO
осуществлять набор только номера
квартиры, то его работа ничем не отличается от
работы домофонов других производителей, если при
наборе указать №дома\подъезда\этажа, *, номер
квартиры, то коммутатор автоматически это
распознает и перейдёт в расширенный режим на
время работы с домофоном PRO.
Для того что бы коммутатор мог работать в
расширенном режиме его необходимо предварительно
запрограммировать на определённый номер дома и
используемый диапазон номеров квартир. Всё это
подробно изложено в техническом паспорте на
коммутатор. |
|
Таким образом, домофон PRO
может быть установлен как на "калитку" в
многоквартирном жилом комплексе, так и
непосредственно на подъезд дома. |
|
В случае применения
"гостиничной" нумерации квартир, при работе домофона PRO c
коммутатором COM1-3AV Keyman
в расширенном режиме, возможен 6-ти
значный набор номера: №этажа (количество от 1 до
128), *, №квартиры (количество от1 до
255). |
|
Нумерация
№дома\подъезда\этажа от 1 до 999. Нумерация
№квартиры от 1 до 999. |
|
|
 |
|
|
| |
|
|
|
|
| |
|
|
Вопрос:
Устанавливаем домофон PRO на подъезд,
где уже стоит автономный контроллер
Z-5R.
Можно ли подключить к домофону контроллер Z-5R, что
бы, не включая режим "АВТОСБОР" на домофоне, сохранить
пользование ключами ТМ с форматом записи z-5r? |
|
| |
|
|
_Ответ:
Подключить можно,
варианты подключения указаны ниже. Следует помнить, что в
Z-5R режим
"АНТИКЛОН" отсутствует. |
|
| |
|
|
|
|
| |
|
|
|
|
| |
|
|
Вопрос:
Как будет работать "родной" считыватель
TouchMemory или Proximity 125
кГц при подключении к домофону PRO
ранее установленного на подъезде контроллера
Z-5R? |
|
| |
|
|
_Ответ:
Работать
"родные" считыватели будут в штатном режиме. Следует помнить,
что при применении домофона PRO со
считывателем touchmemory и
подключённым контроллером Z-5R, их
работа возможна только на раздельные контакторы ТМ. |
|
| |
|
|
|
|
| |
|
|
Вопрос:
Можно ли организовать работу двух домофонов
PRO на один электромагнитный замок? |
|
| |
|
|
_Ответ:
Да, можно. Оптимальный вариант подключения представлен на
СХЕМЕ. |
|
| |
|
|
|
|
| |
|
|
Вопрос:
Понятно, что можно загрузить новую кодовую таблицу на снятом домофоне, установив джамперную перемычку рядом с главным
контроллером и введя новый операторский код. А можно ли
загрузить новую кодовую таблицу в домофон не вынимая его из
ванночки? |
|
| |
|
|
_Ответ:
Да, можно. Для этого необходимо: 1. Установить новый
операторский код (код "нулевой" квартиры в новой таблице кодов)
через процедуру Р-7. Вход в режим программирования далее
будет осуществляться по новому операторскому коду, но таблица
кодов будет действовать прежняя. 2. Выключить питание, включить
питание. Во время 5-ти секундного тестового отсчёта одновременно
нажать и удерживать кнопки <*> + <C>.
Дождаться начала перезагрузки домофона ( на индикаторе в двух
левых разрядах "бегает" квадратик), можно отпустить кнопки и
после последующего 5-ти секундного отсчёта домофон работает в
штатном режиме с загруженной новой кодовой таблицей
соответствующей ранее введённому новому операторскому коду.
Следует учесть, что при этом происходит возврат к заводским
установкам. И если, к примеру, было ранее установлено смещение
для набора номера, то необходимо установить его заново. |
|
| |
|
|
|
|
| |
|
|
Вопрос:
Вопрос по домофонам
KEYMAN.
При подаче команды на открытие двери "залипает" электромагнитный
замок. Что можно сделать? |
|
| |
|
|
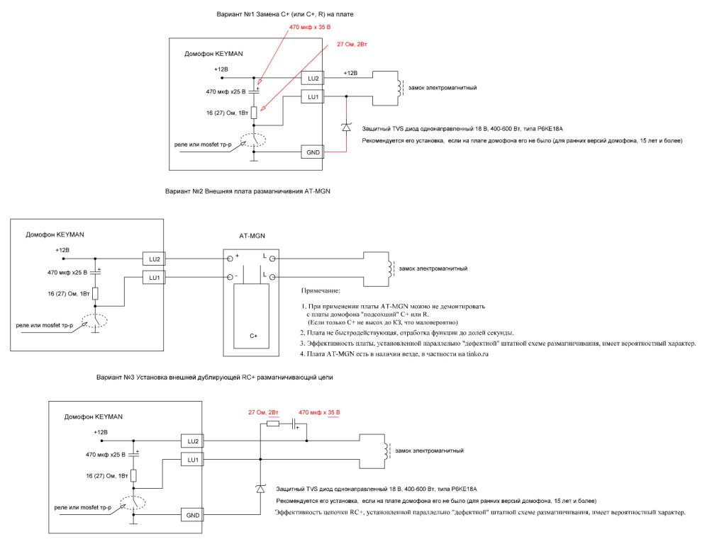
_Ответ:
Домофоны
KEYMAN
производились до 2009 года, так
что срок эксплуатации домофонов этой марки превысил 15 лет, а
может и 20...25 лет. За это время вполне могло произойти
"усыхание" (потеря ёмкости) электролитического конденсатора в
схеме "размагничивания" электромагнитного замка. Могло
произойти, что бывает крайне редко, и "подгорание" резистора в
той же схеме. В основном это касается домофонов произведённых
более 20 лет назад, когда ещё использовались отечественные
электронные компоненты (наследие 90-х годов). Проблема эта
решаема. Можно заменить элементы схемы "размагничивания" на
плате домофона или применить доступную в продаже внешнюю плату
размагничивания в разрыв между домофоном и электромагнитным
замком или попробовать вариант установки (без демонтажа домофона)
"размагничивающей" RC+ цепочки
параллельно обмотке замка (схема
размагничивания).
|
|
| |
|
|
|
|
| |
|
|
Вопрос:
Как подключить существующий контроллер
ML-194.01 к панели домофона PRO-TM
при установке
домофона
PRO-TM вместо
Rainmann AO-3000 (какие контроллеры замка подключить к
панели)? Условие - использование штатного контактора домофона
PRO-TM. |
|
| |
|
|
_Ответ:
Использование контактора домофона PRO-TM
для обеспечения работы контроллеры замка ML 194.01
исключает возможность работы штатного контроллера ТМ
интегрированного в панель домофона. Если достаточно количества
базы пользовательских ключей в количестве 501 шт., то, для того
что бы ЭМ замок отрабатывал и от ключей ТМ и при открывании
двери с трубки, возможны следующие варианты подключения: |
|
| |
|
|
1 Вариант. ЭМ замок остаётся
подключённым к ML -194.01 (можно для подачи питания на
контроллер ML -194.01 использовать ранее установленный БП), а
выход с домофона на ЭМ замок через реле подключается к клеммам
кнопки выхода ML-194.01 имитируя замыкание кнопки. Только время
срабатывания ЭМ замка на домофоне желательно выставить
минимальным 1 сек.т.к. время срабатывания ЭМ замка в данном
случае определяется контроллером ML -194.01. Уточнение: выход с
домофона на ЭМ замок (клеммы ЭМ замок) подключается к обмоткам
реле. На обмотке присутствует в режиме ожидания +12В. Выход реле
НО подключается к входу кнопки выхода на контроллере ML-194.01.
При открытии двери с трубки напряжение с обмотки снимается и
выход реле НЗ (имитирует работу кнопки выхода). При этом тип БП
для самого домофона требуется применять в соответствии с
рекомендациями к эксплуатации домофона. |
|
| |
|
|
2 Вариант. ЭМ замок подключается
к клеммам домофона (если,например, не устраивает работа схемы
размагничивания в контроллере), а выход на ЭМ замок в ML -194.01
через реле подключается к клеммам кнопки выхода домофона
имитируя замыкание. |
|
| |
|
|
В обоих вариантах установленная
на объекте "кнопка выхода" (НО) может быть подключена как к
панели домофона PRO-TM, так и к
контроллеру замка
ML-194.01. |
|
| |
|
|
Вариант №1 и Вариант №2
представлены на
СХЕМЕ |
|
| |
|
|
|
|
| |
|
|
Вопрос:
Можно ли домофон PROV-TM
поставить взамен домофона Лидер-М 1998? Являются ли они
взаимозаменяемыми? |
|
| |
|
|
_Ответ:
Домофоны Лидер-М производились с 1997 г и имели свою
"оригинальную" систему адресации к абонентским устройствам. В
качестве абонентских устройств брались трубки Vizit для
координатных домофонов, которые дорабатывались путём установки
платы декодера. При этом, что бы трубка работала с домофоном Лидер-М,
её адрес прописывался в память домофона. Такая домофонная
система не получила широкого распространения (с установкой в
основном в Ленинградской и Мурманской области) и имела
ограниченный тираж производства.
При замене домофона Лидер-М на любой другой домофон,
производимый в настоящее время, потребуется демонтаж старых
трубок и установка новых с "цифровой" адресацией (при сохранении
двухпроводной линии связи АУ).
В ответ на Ваш вопрос: Да, домофон PROV-TM можно установить
взамен домофона Лидер-М при условии замены всех трубок на новые
(типа LM-8d) и применении нового блока питания, рекомендованного
для домофонов серии PRO.
И Нет, домофон Лидер-М не является взаимозаменяемым ни с одним
из существующих домофонов с "цифровой" адресацией. |
|
| |
|
|
 |
 |
 |
 |
 |
|
Источник: |
|
Лев@MaFrance351 |
|
|
|
| |
|
|
|
|
| |
|
|
Вопрос:
Вопрос по домофону
POLYLOCK.
Для домофонов KEYMAN была
"ремонтная" микросхема памяти, с которой встроенный в
домофон контроллер ТМ или proximity
срабатывал на любой прикладываемый ключ. Существует ли такая
"ремонтная" микросхема памяти для домофонов
POLYLOCK и где её можно приобрести? |
|
| |
|
|
_Ответ:"Ремонтная"
микросхема памяти одинаково работает на домофонах
KEYMAN и
POLYLOCK.
В настоящее время в продаже отсутствует. Есть возможность
самостоятельно запрограммировать микросхему памяти
24C32 с "ремонтной" прошивкой.
Файл прошивки высылается на e-mail по
запросу. Файл так же годен для прошивки микросхем памяти
24С16 первых версий домофонов
KEYMAN. |
|
| |
|
|
|
|
| |
|
|
|
 |
|
Файл прошивки"ремонтной" микросхемы памяти
Keyman / Polylock |
|
Инструкция |
|
|
|
|
| |
|
|
|
|
| |
|
|
Вопрос:
Есть ли
недорогой и понятный для использования программатор для работы с
микросхемами памяти
24С16,
24C32, 24С64 ? |
|
| |
|
|
|
_Ответ:
Некоторые монтажные организации используют программатор
CH431A. Отзывы
положительные. Для оценки работоспособности в январе
2026 г. был приобретён такой программатор на одном из
известных маркетплейсов по цене менее 700 руб. ПО
установилось без проблем. Микросхемы памяти читаются и
программируются. Важно соблюдать место и ориентацию
установки микросхем памяти 24-ой серии. Можно
рекомендовать для применения. |
|
  |
|
|
| |
|
|
|
|
| |
|
|
Вопрос:
Планируется замена
домофонов KEYMAN 1996-1998 г.
монтажа на домофоны PRO ОЛЕВС.
Если в старом домофоне стоит микросхема памяти 24С32 и
выше, то понятно, что она подходит на новый домофон
PRO с сохранением базы
пользовательских ключей. А если в старом домофоне стоит память
24С16 с записанными ключами, а в новых домофонах работает
память только от 24С32 и выше, то как быть? |
|
| |
|
|
_Ответ:
Необходимо считать старую микросхему памяти 24С16 на любом
программаторе для памяти EEPROM серии
24, затем установить в программатор новую
24C32 (24C64...) и прошить в неё считанный файл. После
установки в домофон
PRO
и включения питания, формат
записи микросхемы памяти встроенным в домофон контроллером будет
приведён в нужный вид. |
|
| |
|
|
|
|
| |
|
|
Вопрос: Что
делать, если в процессе установки домофона или его эксплуатации,
после полного изучения документации и при отсутствии сомнений в
правильности монтажа, возникли вопросы, на которые не были даны
ответы? |
|
| |
|
|
_Ответ:
Вопрос
может быть задан как на адрес электронный почты (желательно) или
по телефону, указанные в
разделе КОНТАКТЫ |
|
| |
|
|
|
|
| |
|
|
Контакты |
|
| |
|
|
|
|
| |
|
|
Внимание!
Мы разрабатываем домофоны с цифровой адресацией
серии. Мы не подключаем к
ним трубки и мониторы в квартирах, не делаем для жильцов
дубликаты ключей и брелков. Для решения этих вопросов
обращайтесь в организацию, обслуживающую Ваш домофон. |
|
| |
|
|
Мы не
ремонтируем Laskomex, Keyman, Polylock,
Маршал, ... Для замены вышедших из строя предлагаем в
таких же монтажных габаритах домофоны
НЗМИ ОЛЕВС
серии
PRO и PROV,
обладающих большей надёжностью и расширенным
функционалом. |
|
| |
|
|
|
|
| |
|
|
e-mail: domofon@yandex.com |
|
| |
|
|
| |
|
|
|
|
|
тел: |
|
 |
|
Алексей
|
|
|
| |
|
|
Режим работы: пн-пт
10:00-17:00 (время московское), сб-вс выходной |
|