 |
|
Keyman-TMs |
|
Считыватель iButton |
| Технический
паспорт |
|
PDF |
 |
|
COM1-3AV Keyman |
| Блок
коммутации для домофонов с цифровой
адресацией |
| Технический
паспорт/инструкция по эксплуатации |
|
PDF |
 |
|
|
| Фильтр клонов DS1990A |
| Технический паспорт |
| Схемы подключения |
|
|
 |
|
Руководство по эксплуатации:
домофон
PRO/PROV
(Ver. D20) |
| режим
АВТОСБОР на стр.19, п.5.4 |
|
PDF |
|
|
|
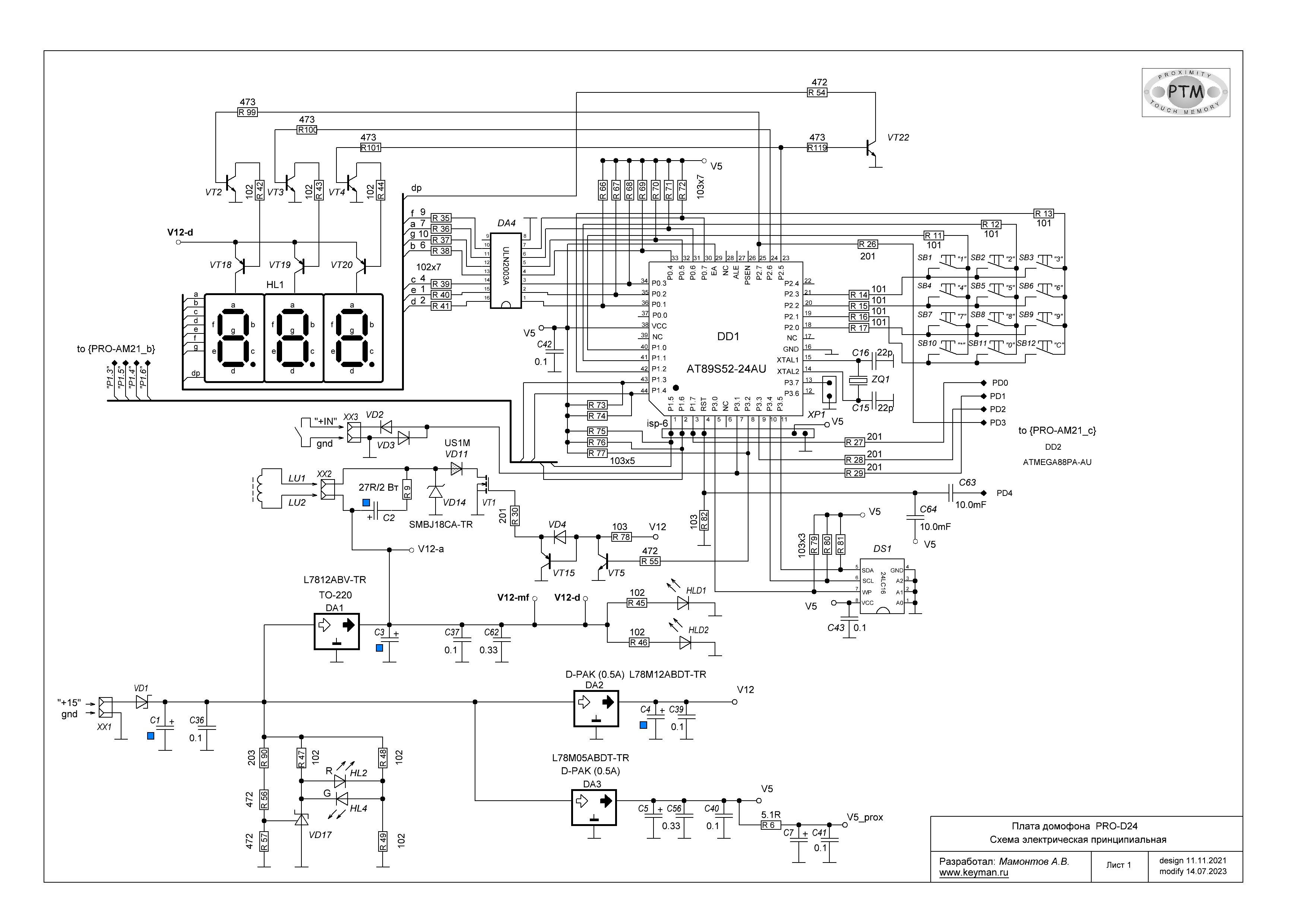
Схема электрическая принципиальная PRO-D24_a |
|
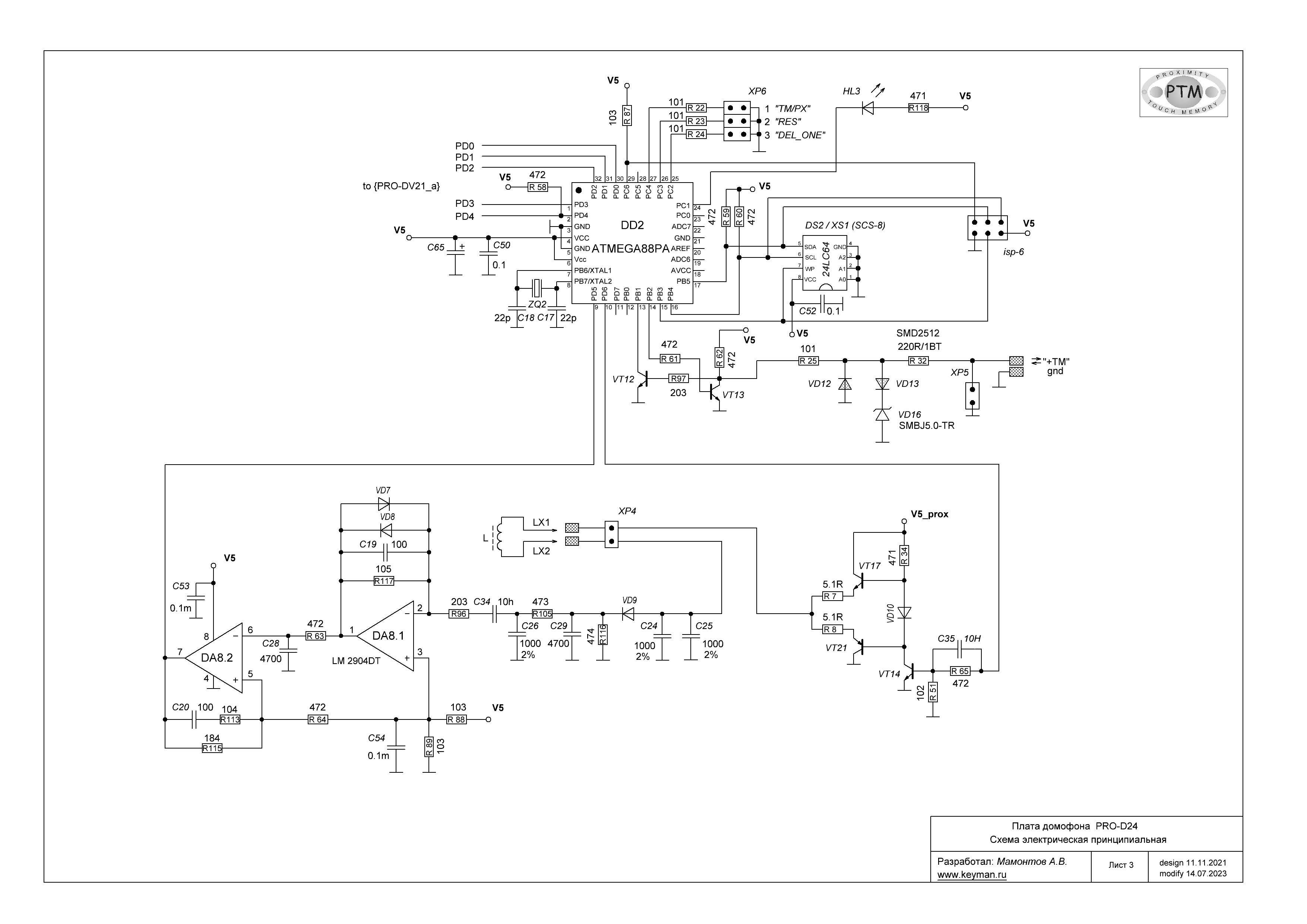
Схема электрическая принципиальная PRO-D24_b |
|
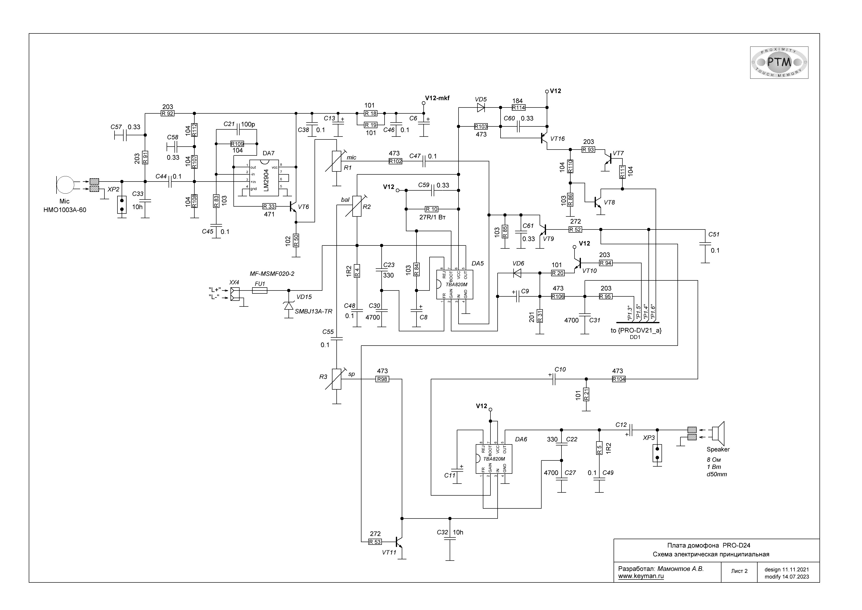
Схема электрическая принципиальная PRO-D24_c |
|
Схема монтажная платы PRO-D24 |
|
|
|
|
|
Схема электрическая принципиальная PRO-D23A_a |
|
Схема электрическая принципиальная PRO-D23A_b |
|
Схема электрическая принципиальная PRO-D23A_c |
|
Схема монтажная платы PRO-D23A |
|
|
|
|
|
Схема электрическая принципиальная PRO-D18A_a |
|
Схема электрическая принципиальная PRO-D18A_b |
|
Схема электрическая принципиальная PRO-D18A_c |
|
Схема монтажная платы PRO-D18A |
|
|
|
 |
|
Генератор кодовых таблиц
key_tbl.exe (MS-DOS) |
|
Инструкция |
|
|
 |
|
Технический
паспорт/инструкция по эксплуатации |
|
|
Автономный контроллер Touch Memory |
| функция
АНТИКЛОН |
|
PDF |
 |
|
Технический
паспорт/инструкция по эксплуатации |
|
|
Считыватель
proximity EM-Marine 125 кГц
ЦИКЛОП ЕМ |
| функция
АНТИКЛОН |
|
PDF |
 |
| Технический
паспорт |
| Блок
коммутации и защиты для цифровых домофонов БКЗ-3АN |
|
PDF |
|
|
| Схема подключения фильтра ТМ-А |
|
|
PDF |
 |
|
Дополнение к РЭ "Цифровой
домофон
PRO-D18" |
|
| ПО
Ver.d18
: многоабонентский режим работы - до 16320 АУ |
| функция
АНТИКЛОН
touch memory / proximity 125 кГц |
|
PDF |
 |
|
Дополнение к РЭ "Цифровой
домофон
PRO-D18" |
|
| ПО
Ver.d18
: многоабонентский режим работы - до 16320 АУ |
| режим
АВТОСБОР |
|
PDF |
 |
|
Циклоп ИК |
| Кнопка
выхода накладная антивандальная бесконтактная (инфракрасная) |
|
PDF |
 |
| Фильтр
SMD-F домофона БВ-СМД-2011(2009) |
|
блокировка клонов proximity 125кГц (EM-Marine) |
|
PDF |
|
SMD-F: Инструкция по подключению и программированию |
 |
| Фильтр
SMD-F домофона БВ-СМД-2011(2009) |
|
блокировка клонов proximity 125кГц (EM-Marine) |
|
JPG |
|
Схема установки и
подключения |
JPG |
 |
|
Дополнение к РЭ "Цифровой домофон
PRO-D17" |
| ПО
Ver._17
: многоабонентский режим работы - до 16320 АУ |
|
PDF |
 |
|
Дополнение к РЭ "Цифровой домофон
PRO-D17" |
| Функция
АНТИКЛОН
proximity 125 кГц |
|
PDF |
 |
|
Руководство по
эксплуатации: БКЗ-3a |
| Блок
коммутации и защиты для цифровых домофонов |
|
многоабонентский режим работы |
|
PDF |
 |
Руководство по эксплуатации: цифровой
домофон
PRO
(Ver. D17) |
PDF |
 |
Схема электрическая
принципиальная
PRO-D17
домофона PRO |
JPG |
|
Спецификация на плату
PRO-D17 |
XLS |
|
Монтажная схема платы
PRO-D17 |
PDF |
 |
| Фильтр
Cyfral-FTP домофона Цифрал
CCD-20/P, Цифрал CCD-2094.1/P |
|
блокировка клонов proximity 125кГц (EM-Marine) |
|
JPG |
|
FTP-1: Инструкция по подключению и программированию |
PDF |
 |
Фильтр Cyfral-FTE
домофона Цифрал CCD-2094.1/P |
JPG |
|
FTE-3: Инструкция по подключению и программированию |
PDF |
|
FTE-7: Инструкция по подключению и программированию |
PDF |
 |
|
Фильтр Cyfral-FTE
домофона Цифрал CCD-2094.1/P |
|
Cyfral-FTE: подключение к плате
домофона |
|
|
 |
|
Технический паспорт:
PRO-1803 |
|
Панель вызывная домофона с цифровой
адресацией |
|
PDF |
 |
|
Руководство по эксплуатации: цифровой
домофон
PRO
(Ver. D015) |
|
Стандарты считывателей:
DS1990A, EM-Marine, Mifare |
|
PDF |
 |
|
Схема электрическая принципиальная
PRO-D015 домофона PRO
(Ver. D015.2) |
| (замена
типа кл.колодки "12В-ТМ", введение 2-х защитных диодов) |
|
JPG |
|
Спецификация на плату
PTM-D015 домофона PRO
(Ver. D015.1) |
JPG |
|
Монтажная схема платы
PTM-D015
(Ver. D015.1)
, слой Top |
JPG |
|
Монтажная схема платы
PTM-D015
(Ver. D015.1),
слой Bottom |
JPG |
 |
|
Руководство по
эксплуатации: БКЗ-3 |
| Блок
коммутации и защиты для цифровых домофонов |
|
PDF |
 |
|
Паспорт |
Считыватель PTM-EMT/EMT1
(ver.3.0) с функцией преобразования кода
EM-Marine
в код Dallas (DS-1990A) Режим антиклон
proximity -
блокировка заготовок
Temic (чипы
T5557, T5567, ATA5577)
и заготовок EM-Marine (чипы
EM4205, EM4305). |
|
PDF |
 |
Руководство по
эксплуатации: цифровой домофон
PRO-tm |
PDF |
 |
Руководство по
эксплуатации: цифровой домофон
PRO-prox |
PDF |
  |
|
Руководство по эксплуатации |
|
Электронный модуль управления PTM PRO-prox с
цифровой адресацией для подъездных кнопочных домофонов
(антиклон
proximity) |
|
PDF
JPG |
|
 |
Руководство по монтажу и
обслуживанию домофона
CD4100 с ИК-клавиатурой |
PDF |
 |
Плата процессора и клавиатуры со встроенным контроллером
PROX/TM
(домофон
CD4100) |
JPG
JPG
JPG |
|
Схема электрическая
принципиальная
(плата контроллера) |
JPG |
|
Схема электрическая
принципиальная
(плата клавиатуры) |
JPG |
 |
Руководство по установке
контроллера Keyman-ТМ-1000 |
PDF |
|
 |
|
Файл прошивки"ремонтной" микросхемы памяти
Keyman / Polylock |
|
Инструкция |
|
|
|
 |
Руководство по установке, обслуживанию
и программированию домофона Keyman-PRO-PX (выпуска
до 2009 г.) |
PDF |
 |
Руководство по установке, обслуживанию
и программированию домофона Keyman-PX (выпуска
до 2009 г.) |
PDF |
|
 |
Проспект оборудования Keyman 2006 г. |
PDF |
 |
Блок питания
RS-25-15 Mean Well
|
PDF |